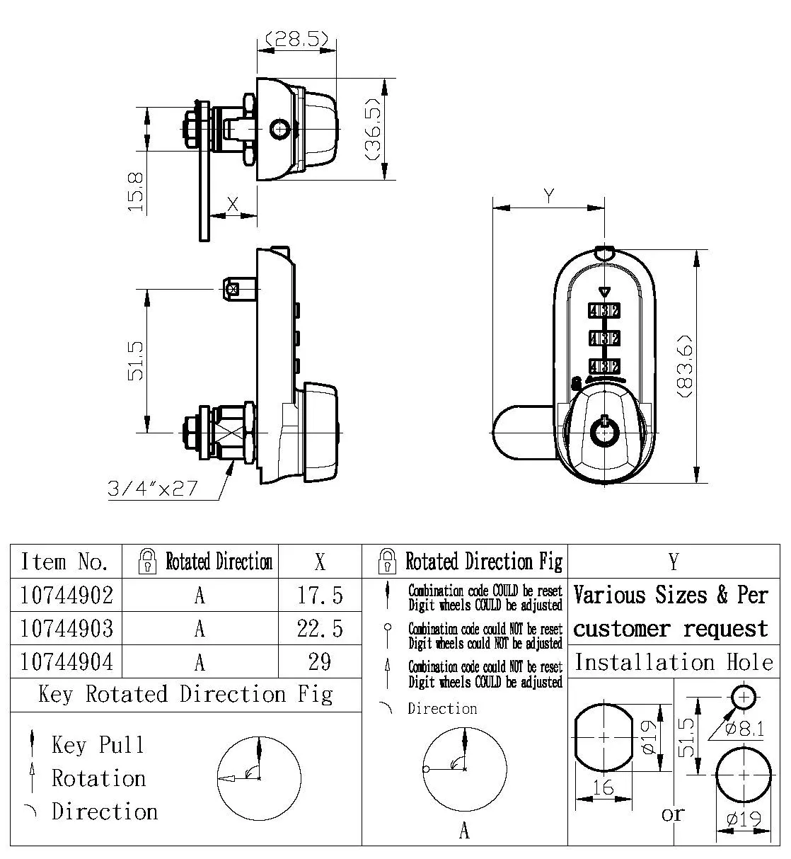
Cerradura de combinación para casillero - Cerradura de leva de 3 dígitos
2. Carcasa y cañón de aleación de zinc
3. Con diseño de 3 ruedas (los códigos de combinación pueden ser modificados por el usuario)
4. Códigos de combinación de ruedas: 1000 códigos de combinación modificables
5. Códigos de teclas: más de 1000 combinaciones de teclas modificables
6. Sistema de llave maestra o gran llave maestra disponible
7. Acabado: disponible en blanco, negro o cromo brillante.
Características
2. Es opcional bloquear la aplicación mediante códigos de combinación o mediante llave.
3. Puede usar la llave para desbloquear o recuperar códigos de combinación.
4. Con función de recuperación de código: puede usar la clave para recuperar sus códigos olvidados
5. Nuestras cerraduras de almacenamiento, cerraduras de puertas y cerraduras de armario están diseñadas para asegurar una amplia gama de aplicaciones, que incluyen, entre otras, puertas de metal y no metal, puertas de madera, gabinetes, cajas, cajones, almacenamiento y armarios.
Seguridad sin llave de 3 dígitos, eficiente y compacta
Imagine una institución educativa o una oficina corporativa con mucho tráfico donde estudiantes y personal necesitan una forma rápida y sencilla de proteger sus casilleros , buzones y contenedores . Gestionar miles de llaves físicas supone una carga administrativa considerable. La cerradura de combinación ABA 107449 para casilleros ofrece la solución de bloqueo definitiva para estas aplicaciones de alto volumen. Como fabricante líder de cerraduras , hemos diseñado esta cerradura de leva de 3 dígitos con aleación de zinc de primera calidad, que ofrece 1000 combinaciones de llaves que los usuarios pueden personalizar y restablecer en segundos.
El modelo 107449 está diseñado para brindar confiabilidad mecánica y un acceso sin llave sencillo, lo que garantiza una protección constante de los activos sin riesgo de pérdida de llaves. Es un componente de seguridad vital para muebles metálicos , vitrinas y pequeños gabinetes . Para nuestros socios OEM/ODM , ABA ofrece configuraciones de leva y acabados personalizables para satisfacer diversas necesidades industriales. Confíe en la ingeniería de precisión de ABA para obtener componentes de hardware de alta calidad que simplifican la gestión de las instalaciones y mantienen una gran durabilidad .
