Cerradura de leva con llave maestra
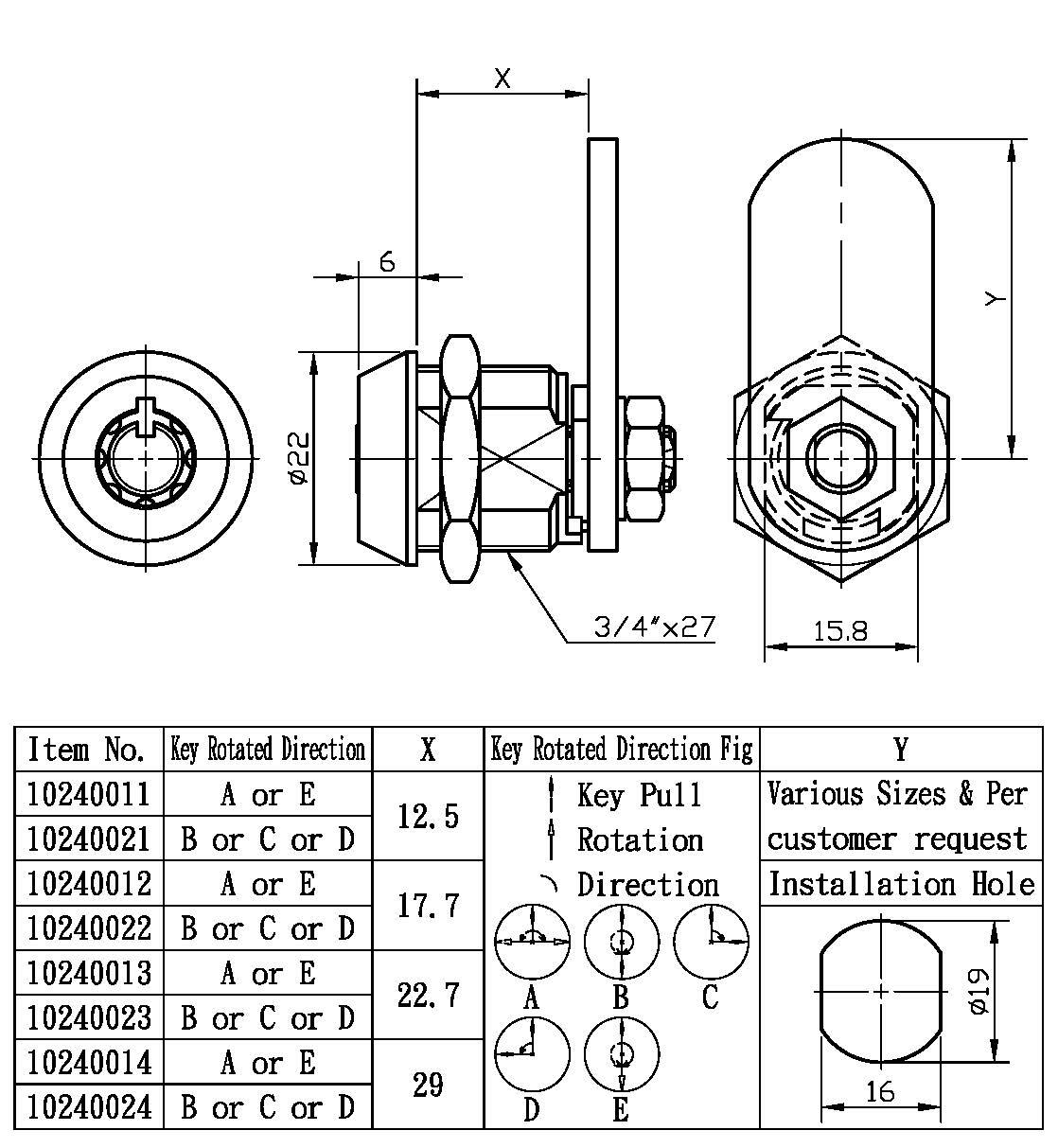
2. El cañón del extremo con tuerca
3. Carcasa y cañón de latón o aleación de zinc o SUS 303 (opcional)
4. Nuestras cerraduras para máquinas de entretenimiento, cerraduras para máquinas expendedoras y cerraduras para gabinetes están diseñadas para asegurar una amplia gama de aplicaciones, que incluyen, entre otras, puertas de madera metálicas y no metálicas, gabinetes, cajas, cajones, cajas de herramientas, máquinas de entretenimiento y máquinas expendedoras.
5. 10000 combinaciones de teclas
6. Accesorios: Tuerca y leva (leva "Y" según solicitud del cliente, como referencia)
7. Componentes 「El material SUS303 está disponible para consulta」
La eficiencia se une al control de acceso avanzado
Imagine gestionar un gimnasio a gran escala o una oficina corporativa de lujo con cientos de taquillas y armarios individuales. Proporcionar una llave única a cada usuario es esencial, pero para los administradores de las instalaciones, el acceso instantáneo para mantenimiento o emergencias es crucial. La cerradura de leva con llave maestra ABA 102400 está diseñada a la perfección para este escenario. Como fabricantes profesionales de cerraduras , hemos diseñado esta cerradura para que sea compatible con un sofisticado sistema de llave maestra , lo que permite un acceso administrativo sin problemas y, al mismo tiempo, protege la privacidad de cada usuario.
Fabricado en aleación de zinc resistente y con un mecanismo de tambor de alta precisión, el modelo 102400 ofrece una experiencia de usuario fluida y una fiabilidad mecánica duradera. Es el componente de seguridad ideal para buzones , mobiliario institucional y vitrinas . Para nuestros socios OEM/ODM , ABA ofrece opciones de llave personalizables y múltiples longitudes de leva , lo que garantiza una estrategia de protección de activos robusta y fácil de gestionar. Confíe en la ingeniería de precisión de ABA para simplificar sus problemas de control de llaves con nuestras soluciones de cerradura profesionales.
